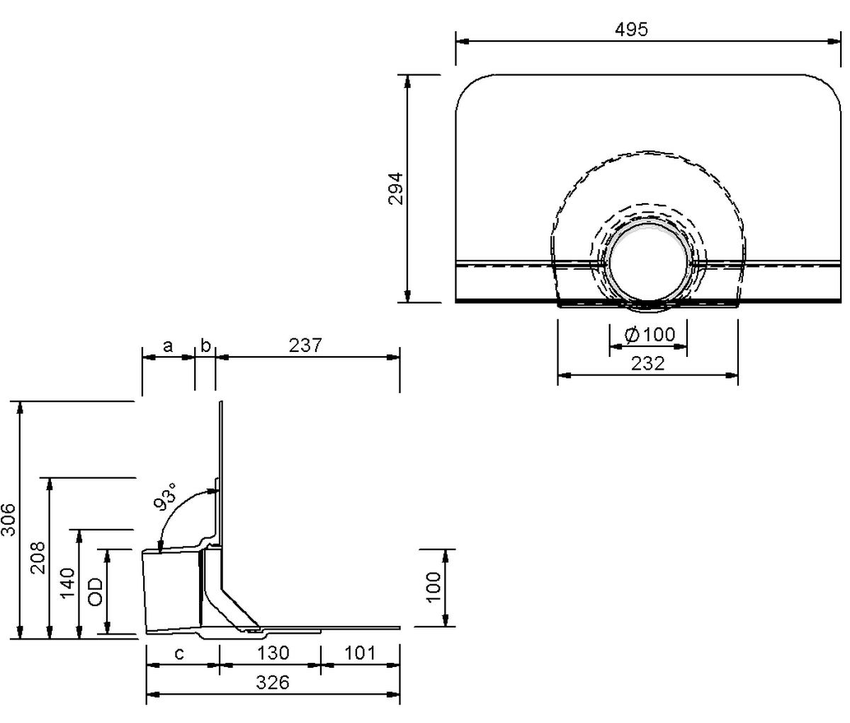
Воронка SitaEasy Go - это идеальное решение для кровель с битумной гидроизоляцией, например, балконов или террас. Благодаря клиновидной конструкции с углом 45° она отлично подходит для теплоизоляции и обеспечивает непосредственное сваривание битумных кровельных покрытий. SitaEasy Go может быть смонтирован в виде выпуска водосточного желоба или подключен непосредственно к системе труб SitaAttika.
| Диаметр DN | Диаметр DN/OD* | a (мм) |
Артикул |
|---|---|---|---|
| 100 | 110 | 110 | 183800 |
| 70 | 75 | 75 | 183600 |
Парапетная воронка Sita с галтелью используется при строительстве и реконструкции зданий и сооружений. Применяется в плоских кровлях из битумных и битумно-полимерных рулонных материалов с внешним водостоком через балконы и парапеты кровли.
Воронка SitaEasy может применяться в качестве аварийного водоотвода на пониженных участках плоской кровли при наличии основных воронок внутреннего водостока, а также устанавливаться совместно с воронками внутреннего водостока в случаях ограничения по количеству воронок внутреннего водостока на плоской кровле, согласно проекту или при организации внешнего водостока через балконы и парапеты на пониженных участках кровли.
Воронки не подвержены коррозии, имеют хорошие механические свойства и могут использоваться во всех климатических зонах РФ.
