Купить двухуровневую кровельную воронку ТП-19.100. Высота патрубка 600 мм
Двухуровневая воронка Татполимер применяется на неэксплуатируемых инверсионных кровлях с любыми гидро-, пароизоляционными материалами и теплоизоляцией, с «кровельным пирогом» любой толщины и наполнения. Листвоуловитель двухуровневой кровельной воронки позволяет предотвратить попадание веток, листьев и прочего мусора в дождевую канализацию. Двухуровневая водосточная воронка, инверсионная кровля воронки, воронка двухуровневая татполимер
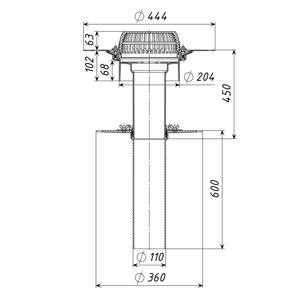
Технические характеристики:
- сырье для корпуса воронки, листвоуловителя и кольца дренажного – полипропилен;
- сырье для прижимного фланца – нержавеющая сталь;
- диаметр приемной воронки – 360 мм;
- выходной диаметр – 110 мм;
- условная высота выпускного патрубка – 600 мм;
- пропускная способность, не менее – 12 л/с;
- температура окружающей среды – от -50 °С до +90 °С;
- температура отводящей жидкости, не более – +85 °С;
- масса нетто, не более – 2,2 кг;
- максимальная разрешенная нагрузка, не более – 150 кг;
- срок службы, не менее – 50 лет.
Внимание! Двухуровневая водосточная воронка имеют возможность герметичного соединения между уровнями с использованием уплотнительного кольца ТП-76.100 Для заказа товара ТП-19.100 Воронка двухуровневая пластиковая кровельная с электроподогревом, позвоните нам по телефону или оставьте свой заказ на сайте
