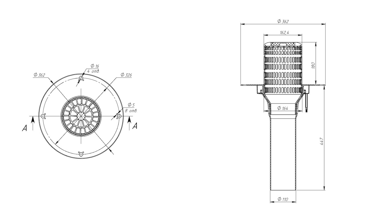
Воронка кровельная Fachmann VO-PVC 110x450 используется для отвода дождевой и талой воды с плоских крыш во внутренний водосток дождевой канализации. Вертикальная воронка быстро монтируется благодаря тому, что ее корпус выполнен из поливинилхлорида. Фартук приваривается к ПВХ-мембране, обеспечивая прочное и герметичное соединение. Кровельная воронка имеет конусообразную горловину и патрубок без сварочных швов, что исключает образование «слабых зон». Воронка для кровли оборудована подогревом, поэтому в условиях перепада температур она не обледеневает и остается работоспособной. Водосточная воронка для плоской кровли с подогревом работает более эффективно благодаря листвоуловителю, который не позволяет ей засоряться даже в ветренную погоду. Нижнюю часть листвоуловителя легко подрезать по специальным кольцевым канавкам, чтобы изменить его высоту. В комплект входят листвоуловитель, основание воронки, нагревательный элемент и крышка-заглушка. Купить воронки для кровель Fachmann можно, оставив заявку на сайте. Комплектующие к воронке с корпусом из ПВХ и листвоуловителем VO-PVC 110x450 также продаются отдельно: опорное кольцо надставного элемента Т (артикул 1.141), манжета для надставного элемента (артикул 01.064), листвоуловитель ПВХ (артикул 01.117), прижимной фланец (артикул 04.117).
